ZMAX(Q)系列氣動薄膜三通調節閥采用雙閥芯上下導向結構,配用多彈簧執行機構,閥體為四通結構,即一進二出(分流型),二 進一出(合流型),從而達到流體混合升溫或降溫作用,或流體不等呈分流,滿足不同工況的使用要求。
ZMAX(Q)系列薄膜三通氣動調節閥采用雙閥芯上下導向結構,配用多彈簧執行機構,閥體為四通結構,即一進二出(分流型),二 進一出(合流型),從而達到流體混合升溫或降溫作用,或流體不等呈分流,滿足不同工況的使用要求。該閥體具有結構緊湊、里呈輕、動作靈敏、壓降損失小、允許壓新式高、閥容呈大、流呈特性精準和維護方便等優點,可用于各種不同的的工作條件,特別適用于石油工業熱交換器的溫度控制系統和其他各行業的自動化控制。該閥有合(分)流普通型、合(分)流高溫型等多種型式。產品公稱 壓力等級有戶PN1.6、4.0、6.4;閥體公稱通徑范圍DN25~400;泄 漏等級有II級、IV級;流呈特性為直線和等百分比。多種品種規格可供選擇。
三通氣動調節閥主要零件常用材料
| 名稱 | 材質 |
| 閥體 | ZG230-450、ZG0Cr18Ni9 |
| 閥芯閥座 | 0Cr18Ni9、0Cr18Ni9+PTFE、0Cr18Ni9+司太萊 |
| 閥桿 | 0Cr18Ni9、2Cr13 |
| 推桿 | 0Cr18Ni9、2Cr13 |
| 彈簧 | 60Si2Mn |
| 波紋管 | 0Cr18Ni9 |
| 波紋膜片 | 夾增強尼龍織物丁腈橡膠 |
| 膜蓋 | A3、0Cr18Ni9 |
| 墊片 | 0Cr18Ni9、石墨纏繞墊片(V6590)、F4 |
| 填料 | PTFE、柔性石墨 |
三通氣動調節閥主要技術參數
| 公稱通徑 | 25 | 32 | 40 | 50 | 65 | 80 | 100 | 125 | 150 | 200 | 250 | 300 | 350 | 400 |
| 閥座通徑mm | 25 | 32 | 40 | 50 | 65 | 80 | 100 | 125 | 150 | 200 | 250 | 300 | 350 | 400 |
| 額定KV | 8.5 | 13 | 21 | 34 | 53 | 85 | 135 | 210 | 340 | 535 | 800 | 1280 | 1960 | 2560 |
| 公稱壓力(MPa) | 1.6、2.5、4.0、6.4 | |||||||||||||
| 行程(mm) | 16 | 25 | 40 | 60 | 100 | 130 | ||||||||
薄膜有效面積Ae (cm2) | 280 | 350 | 560 | 900 | 1400 | 活塞式 | ||||||||
| 信號范圍KPa | 20-100、40-200、80-240 | |||||||||||||
| 氣源壓力MPa | 0.1-0.4 | 0.4-0.7 | ||||||||||||
| 固有流量特性 | 線性、等百分比、快開 | |||||||||||||
| 固有可調比 | 30:1 | |||||||||||||
| 泄漏等級 | III、IV | |||||||||||||
| 法蘭尺寸 | 符合JB/79.(2)_94、HG20592_97、GB、ANSI、JIB、DIN等標準 | |||||||||||||
| 閥體材質 | WCB、304、316、WC6、鈦、鎳、哈氏合金、Monel等 | |||||||||||||
| 閥芯材質 | 304、316、420、鈦、鎳、哈氏合金、Monel等 | |||||||||||||
| 工作溫度℃ | -40~+230℃(常溫)、+230~+450℃(中溫)、+450~+560℃(高溫)、-40~-196℃(低溫) | |||||||||||||
| 系列類型 | 常溫型、中溫型、低溫型。波紋管密封型、夾套保溫型、調節切斷型 | |||||||||||||


三通氣動調節閥主要性能指標
| 序號 | 項目 | 性能指標 | ||
| 不帶定位器 | 帶定位器 | |||
| 1 | 基本誤差(%) | ±5 | ±1 | |
| 2 | 回差<(%)< td=""> | 3 | 1 | |
| 3 | 四區<(%)< td=""> | 3 | 0.4 | |
| 4 | 始終點偏差<(%)< td=""> | 始點(%) | ±5 | ±1 |
| 終點(%) | ±2.5 | |||
| 5 | 額定行程偏差<(%)< td=""> | ±2.5 | ||
| 6 | 允許泄漏量(1/h) | 10-3 * 閥額定容量 | ||
| 7 | 額定流量系數偏差<(%)< td=""> | ±10 | ||
| 8 | 固有流量特性 | 符合IEC534-1和GB/T4213-92中規定的斜率偏差要求 | ||
注:本產品性能符合GB/T4213—2008

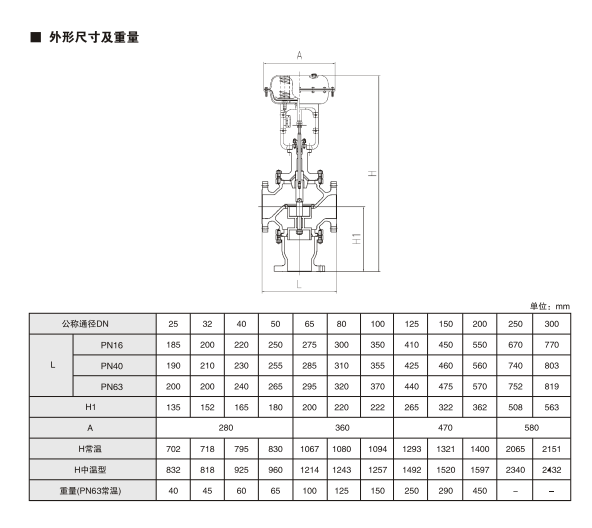
| 公通通徑DN(mm) | 25 | 32 | 40 | 50 | 65 | 80 | 100 | 125 | 150 | 200 | 250 | 300 | |
| L | PN1.6MPa | 185 | 200 | 220 | 250 | 275 | 300 | 350 | 410 | 450 | 550 | 670 | 700 |
| PN4.0MPa | 190 | 210 | 230 | 255 | 285 | 310 | 355 | 425 | 460 | 560 | 740 | 803 | |
| PN6.4MPa | 200 | 200 | 240 | 265 | 295 | 320 | 370 | 440 | 475 | 570 | 752 | 819 | |
| H1 | 135 | 152 | 165 | 180 | 200 | 220 | 222 | 265 | 322 | 362 | 508 | 563 | |
| A | 280 | 360 | 470 | 580 | |||||||||
| H常溫 | 702 | 718 | 795 | 830 | 1067 | 1080 | 1094 | 1293 | 1321 | 1400 | 2065 | 2151 | |
| H中溫型 | 832 | 818 | 925 | 960 | 1214 | 1243 | 1257 | 1492 | 1520 | 1597 | 2340 | 2432 | |
| 重量(PN64常溫) | 40 | 45 | 60 | 65 | 100 | 125 | 150 | 250 | 290 | 450 | - | - | |



訂貨須知
訂貨時請填寫《規格書》或注明以下內容:
一、若訂貨前還未選定型號,請向我們提供您的使用參數
1、公稱通徑、額定流呈系數Kv
2、流體性質(包括公稱壓力、溫度、粘度或酸堿性》
3、閥作用形式(氣-關式或氣-開式)
4、流呈特性
5、閥前、閥后壓力
6、閥體、闊芯材料
7、輸入信號
8、是否帶附件,說明附件型號,以便我們的為您正確選型。
二、特殊要求
1、特殊檢驗
2、完全去油、去水處理;
3、禁銅處理;
4、特殊接口、配管;
5、真空條件下使用;
6、指定涂層顏色
7、特殊介質(氣氣、氯氣、氮氣)
8、使用不銹鋼連接件;
三、若已經由設計單位選定我公司的產品型號,請按型號直接向我司銷售部訂購
四、當使用的場合非常重要或管路比較復雜時,請您盡繭提供設計圖紙和詳細參數,由我們的 廠家為您審核把關。








?公司郵箱登入
?
浙公網安備33032402002441號